Prisintazzioni
3 Adattaturi idròlicu si sparti o s'unisci a tri lini idràulici, nu strumentu pràticu pi tanti sistemi. È fattu di cosi forti, manija beni la prissioni auta e ferma li pirditi. Si adatta ê parti ntê fabbrichi, ntê fatturìi e ntê garage. Facili di stallari, havi bisognu di picca cura e manteni li fluidi muvennu li lisci. Ottimo pi tutti li tipi di travagghiu, dura assai.



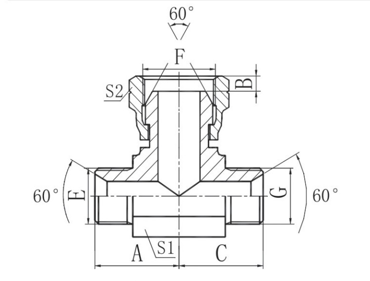
Spicifichi

|
PARTI NO. |
FILU |
DIMISSIONI |
||||||
|
E |
F |
G |
A |
B |
C |
S1 |
S2 |
|
|
BB-02 |
G1/8"X28 |
G1/8"X28 |
G1/8"X28 |
19.8 |
5.5 |
19.8 |
11 |
14 |
|
BB-04 |
G1/4"X19 |
G1/4"X19 |
G1/4"X19 |
24.5 |
5.5 |
24.5 |
14 |
19 |
|
BB-06 |
G3/8"X19 |
G3/8"X19 |
G3/8"X19 |
27.5 |
6.3 |
27.5 |
16 |
22 |
|
BB-08 |
G1/2"X14 |
G1/2"X14 |
G1/2"X14 |
34.5 |
7.5 |
34.5 |
22 |
27 |
|
BB-12 |
G3/4"X14 |
G3/4"X14 |
G3/4"X14 |
40 |
10.9 |
40 |
27 |
32 |
|
BB-20 |
G1.1/4"X11 |
G1.1/4"X11 |
G1.1/4"X11 |
50.5 |
11 |
50.5 |
41 |
50 |
|
BB-24 |
G1.1/2"X11 |
G1.1/2"X11 |
G1.1/2"X11 |
57.5 |
13 |
57.5 |
48 |
55 |
|
BB-32 |
G2"X11 |
G2"X11 |
G2"X11 |
72.5 |
16 |
72.5 |
63 |
70 |
paràmitri/dati tècnici
|
Urìgginali |
ZheJiang, Cina |
data di cunsignazzioni |
Nigàbbili |
|
La certificazzioni |
GB/T19001-2016 int ISO9001:2015 |
Imballaggiu |
standard d'espurtazzioni |
|
Matiriali |
Acciaiu di carboniu |
Garanzia |
1 annu |
|
Termini di pagamentu |
TT |
MOQ |
2000 |
|
Cunnizzioni |
Novu |
Culuri |
zincu biancu, zincu a culura |
Supra la Sucità












Vantaggi
Qualità supiriuri
Lu nostru gruppu espertu cummina li abbilità tecnichi câ spirènzia di gistioni. Mantinimentu rigurusu cuntrollu dâ qualitàti cu certificazzioni prufissiunali
Spirienza riccu
Stabbiluta ntô 2011 esportari 'n manera custanti 'n paisi40+ paisi di tuttu lu munnu comu:USA, Girmania, Regnu Unitu, Australia, Russia, Brasili, Canadà, e cchiù fidati dê clienti ntirnazziunali pi nu sirvizziu di qualità
Cavanza dû pruduttu ampi
4 catigurìi principali di prudutti:
raccordi idròlichi
Fèruli idròali
adattatura idròlici
raccordi di tubbu di nylon
Cchiù di 100 prudutti diversi dispunìbbili
Prezzi cumpititivi
Offriamu prudutti di qualità a prezzi raggiunevuli. Custruiri forti firucia dû clienti attraversu:
qualità affidabbili
Pràtichi di l'affari onesti
Crescita di 10 anni
Clifiru- Sirvizziu Fucutatu
A tò suddisfazzioni è a nostra priorità principali. Risposta ‘n manera ‘ngrassa a tutti li indagini. suluzzioni prufissiunali pì ogni bisognu
Lucalizza stratèggica
Misu 'n manera cunvinenti vicinu a Hangzhou. Eccellenti cunnissioni di trasportu.Spidi viloci e efficienti

FAQ
D: Picchì scegghi?
R: Travagghiamu cu idràulici pi 10 anni. Li nostri prudutti su' na bona qualità, vennu cu na garanzia di 18{4}}}} e ni nni jemu subbitu. Aiutamu macari a sarbari li costi e lu nostru sirvizziu doppu{5}}} è senza stress.
D: Siamu na fabbrica o na cumpagnìa di trading?
R: Siamu la fabbrica urigginali ca fannu raccordi idràulici. Ci cuncintràmu supra a fari e a migghiurarili pì 10 anni.
D: Quantu tempu cunsignari?
R: Si avemu li bèni ‘n magazzinu, di sòlitu ci volunu 7{3}}15 jorna. Si no, 30-45 jorna dipenni di quanti ordinati.
D: Comu pagari?
R: Paga dû 30% quannu cunfirma l'ordini. Paga u 70% ristanti doppu ca ti mannamu 'na copia dû progettu di liggi.
D: Putemu ottèniri campioni? Sunnu lìbbiri?
R: Pî nostri prudutti attuali, putemu dari 2 campioni gratuiti pì test. Ma è necessariu pagari li spidizzioni. Pî prudutti su misura, parrati cu nui pi travagghiari lu pianu dû campioni.
D: E si c'è nu prubblema di qualità quannu si usa?
R: garantimu la qualità pi 12 misi (dâ data di cunsigghiu). Tutti li prubblemi ca nun sunnu causati dî pirsòni sunnu cuperti.
D: Quali è l'ordini cchiù nicu ca putemu mettiri?
R: Pî prudutti ‘n magazzinu, si po accattari sulu 1. Pi fora {1}at-} prudutti, cunfirmamu l'òrdini cchiù nicu basatu ncapu li dittagghi dû pruduttu.
D: Putissi fari prudutti dî disegni?
R: Iè, putemu. Ma ci serbinu li standard tecnici chiari e li standard di tulliranza.
D: Quali è lu to sirvizziu doppu {0} }}?
R: Tracciamu tutta la luggìstica. Ti agghiornamu unni sunnu li bèni, e cuntrullamu si sì cuntentu doppu ca li ricivi.
D: Comu cuntrolla la qualità dû pruduttu?
R: Avemu strumenti di test prufissiunali: li tester di sali di sali, li màchini a tinzioni, li tester di durizza, ecc. Li usamu pi èssiri sicuri ca li prudutti su' boni.
D: Offri nu sirvizziu OEM?
R: Iè, lu facìamu. Cuntattaci pi cchiù dittagghi.
D: Chi tipu di ‘mballaggiu usate?
R: Propriu ora, usamu li cartuni. Ma dicìti li tò bisogni, e circamu di ‘ncuntràrili.
D: Quannu ottèni nu prezzu?
R: Di sòlitu mannamu 'na citazzioni ‘n 8 uri doppu ca ottènimu a tò dumanna supra li prezzi.
Tag caudi: 3 modi adattaturi idràulici, la Cina di 3 man di l'adattaturi idràulici, la fabbrica
