Prisintazzioni
T Adattaturi idràlicu è un cunnitturi T{0}} ca sparti lu flussu idràulicu senza prubblemi, fattu cu matiriali forti pi travagghiari beni sutta prissioni auta. Si adatta a tanti parti ntê fabbrichi, ntê fatturìi e ntê sistemi di màchini, ferma li pirditi ed è fàcili di mettiri 'n attu. Ci voli picca cura, manteni li liquidi muzzinati e aiuta li màchini a fari funziunari boni pi nu tempu longu- si fannu pi tutti li tipi di travagghi.



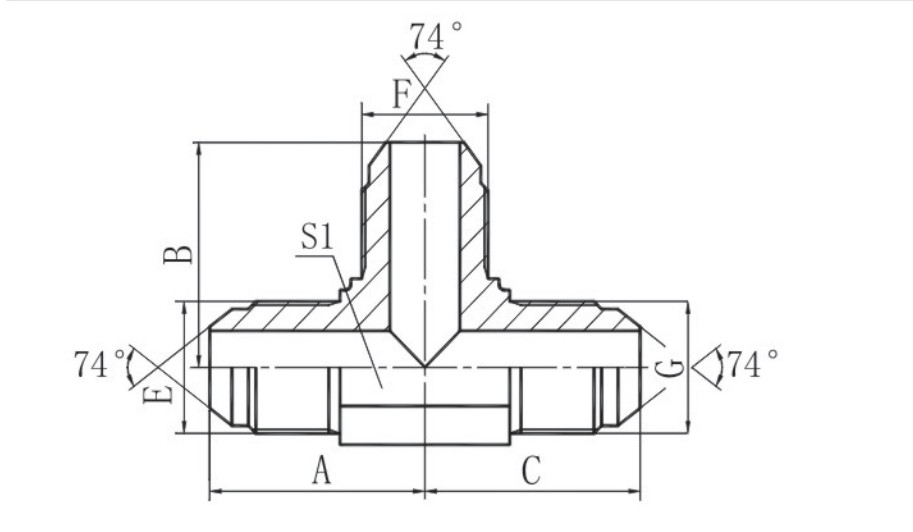
Spicifichi

|
PARTI NO. |
FILU |
DIMISSIONI |
|||||
|
E |
F |
G |
A |
B |
C |
S1 |
|
|
AJ-04 |
7/16*X20 |
7/16*X20 |
7/16*X20 |
24.5 |
24.5 |
24.5 |
11 |
|
AJ-04-06-04 |
7/16*X20 |
9/16*X18 |
7/16*X20 |
26.6 |
26.9 |
26.6 |
14 |
|
AJ-05 |
1/2*X20 |
1/2*X20 |
1/2*X20 |
26 |
26 |
26 |
14 |
|
AJ-06-06-06 |
9/16*X18 |
7/16*X20 |
9/16*X18 |
26.9 |
26.6 |
26.9 |
14 |
|
AJ-06 |
9/16*X18 |
9/16*X18 |
9/16*X18 |
26.9 |
26.9 |
26.9 |
14 |
|
AJ-08-06-08 |
3/4*X16 |
9/16*X18 |
3/4*X16 |
32 |
30 |
32 |
19 |
|
AJ-10 |
7/8*X14 |
7/8*X14 |
7/8*X14 |
37.8 |
37.8 |
37.8 |
22 |
|
AJ-12 |
1.1/16*X12 |
1.1/16*X12 |
1.1/16*X12 |
44.2 |
44.2 |
44.2 |
27 |
|
AJ-16 |
1.5/16*X12 |
1.5/16*X12 |
1.5/16*X12 |
49 |
49 |
49 |
33 |
|
AJ-16-16-16 |
1.5/16*X12 |
1.1/16*X12 |
1.5/16*X12 |
49 |
48 |
49 |
33 |
|
AJ-20 |
1.5/8*X12 |
1.5/8*X12 |
1.5/8*X12 |
56.5 |
56.5 |
56.5 |
41 |
|
AJ-24 |
1.7/8*X12 |
1.7/8*X12 |
1.7/8*X12 |
63 |
63 |
63 |
48 |
|
AJ-32 |
2.1/2*X12 |
2.1/2*X12 |
2.1/2*X12 |
78 |
78 |
78 |
63 |
Paramitri/dati tècnici
|
Urìgginali |
ZheJiang, Cina |
data di cunsignazzioni |
Nigàbbili |
|
La certificazzioni |
GB/T19001-2016 int ISO9001:2015 |
Imballaggiu |
standard d'espurtazzioni |
|
Matiriali |
Acciaiu di carboniu |
Garanzî |
1 annu |
|
Termini di pagamentu |
TT |
MOQ |
2000 |
|
Cunnizzioni |
Novu |
Culuri |
zincu biancu, zincu a culura |
Supra la Sucità












Vantaggi
Qualità supiriuri
Lu nostru gruppu espertu cummina li abbilità tecnichi câ spirènzia di gistioni. Mantinimentu rigurusu cuntrollu dâ qualitàti cu certificazzioni prufissiunali
Spirienza riccu
Stabbiluta ntô 2011 esportari 'n manera custanti 'n paisi40+ paisi di tuttu lu munnu comu:USA, Girmania, Regnu Unitu, Australia, Russia, Brasili, Canadà, e cchiù fidati dê clienti ntirnazziunali pi nu sirvizziu di qualità
Gamma dû pruduttu ampi
4 catigurìi principali di prudutti:
raccordi idròlichi
Fèruli idròali
adattatura idròlici
raccordi di tubbu di nylon
Oltri 100 Prudutti disponibbili
Prezzi cumpititivi
Offriamu prudutti di qualità a prezzi raggiunevuli. Custruiri forti firucia dû clienti attraversu:
qualità affidabbili
Pràtichi di l'affari onesti
Crescita di 10 anni
Clifiru- Sirvizziu Fucutatu
A tò soddisfazzioni è a nostra priorità principali. Risposta ‘n manera ‘ngrassa a tutti li indagini. suluzzioni prufissiunali pì ogni bisognu
Lucalizza stratèggica
Misu 'n manera cunvinenti vicinu a Hangzhou. Eccellenti cunnissioni di trasportu.Spidi viloci e efficienti

FAQ
D: Picchì scegghiri a nostra cumpagnìa?
R: La nostra sucità è n’espertu idràulicu 10-}, cu qualità affidàbbili, 18{3} lu misi di garanzia longa, cunsignazzioni viloci, uttimizzazzioni dî costi e prioccupazzioni senza prioccupazzioni
D: Siamu na fabbrica o na cumpagnìa di trading?
R: Siamu la fabbrica funti di l'articulazziuni idràulici, cuncintrànnusi ntâ pruduzzioni e ntâ ricerca e ntô sviluppu pi 10 anni
D: Quantu tempu è lu tempu di cunsignazzioni?
R: Si è ‘n magazzinu, di sòlitu ci volunu 7-15 jorna. O si li merci nun sunnu ‘n magazzinu, ci volunu 30-45 jorna, ca dipenni dâ quantità
D: Quali sunnu li nostri termini di pagamentu?
R: Pagari lu 30% dipòsitu doppu la cunferma di l'ordini, e l'equilìbbriu 70% câ copia dâ progettu di liggi di stabbilimentu
D: Si ponnu furniri campioni? / Pòiamu furniri campioni gratuiti?
R: Pî prudutti attuali, 2 campioni ponnu èssiri furniti pì test gratuiti, e u clienti havi a suppurtari u costu ri spidizzioni; pi prudutti su misura, si prega di cuntattarci pi niguziari lu pianu di campioni
D: Chi faremu si attruvamu prubblemi di qualità duranti l'usu?
R: Duranti lu pirìudu di assicurazioni dâ qualità 12- dâ data di cunsignazzioni), tutti li danni nun umani sunnu cummigghiati
D: Quali è lu nostru MOQ?
R: Pî prudutti attuali, sustenimu l'acquisti sìngulu-. Pi prudutti nun{2}}, la quantità minima di ordini veni cunfirmata siparatamenti ‘n basi ê spicificazzioni dû pruduttu
D: Si ponnu prudùciri prudutti secunnu li disegni?
R: Sustinìri completamenti la pruduzzioni sicunnu li disegni, ma sunu nicissari li riquisiti tecnici e li standard cumpleti e tulliranza
D: Quali è lu nostru sirvizziu doppu-?
R: Sirvizziu di monitoraggiu dâ luggìstica cumpleta, riali{0}} voti l'agghiornamentu dû statu di trasportu e di seguitu-} supra la suddisfazzioni dû clienti doppu la firma
D: Comu cuntrullamu la qualità dî nostri prudutti?
R: Avemu nu nzemi cumpletu di apparecchiaturi prufissiunali, ntra li quali lu tester di spruzzu di sali, la màchina a tinzioni, lu tester di durizza, ecc., pi cuntrullari strittamenti la qualità dû pruduttu
D: La nostra cumpagnìa havi nu sirvizziu OEM?
R: Certu, a nostra sucità furnisci sirvìzzi OEM. Si prega di cuntattàricci pî dittagghi.
D: Chi tipu di ‘mballaggiu avemu?
R: Attualmenti sulu l'imballaggi dî cartuni, ma si hai riquisiti, putemu pruvari a ncuntrarili
D: Quannu pozzu ottèniri lu prezzu?
R: Di sòlitu citamu 8 uri doppu ca ricivìu la tò dumanna.
Tag caudi: adattaturi idràulicu, pruduttura di adattaturi tidraulici dâ Cina, fàbbrica
